工程中地库可采用的柱网形式有小柱网、组合柱网、大柱网,以下以广州地区某地下三层地库为例,对该三种柱网形式标准跨区域整体经济性进行对比分析,对于地下三层由于底板较深,结合广州地区地质情况,底板基本都在较硬土层,基础形式以天然基础为主,此处不考虑灌注桩方案,抗浮采用锚杆抗浮,各柱网形式布置情况如下:
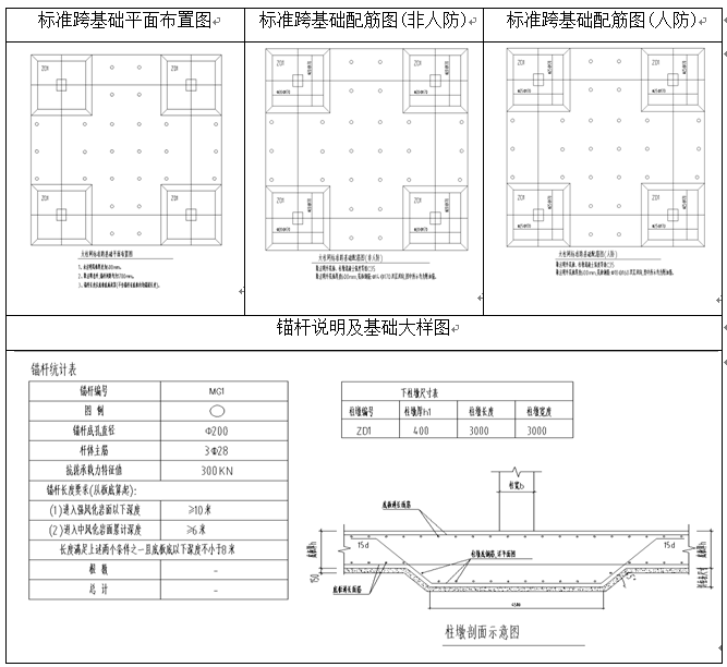
组合柱网:

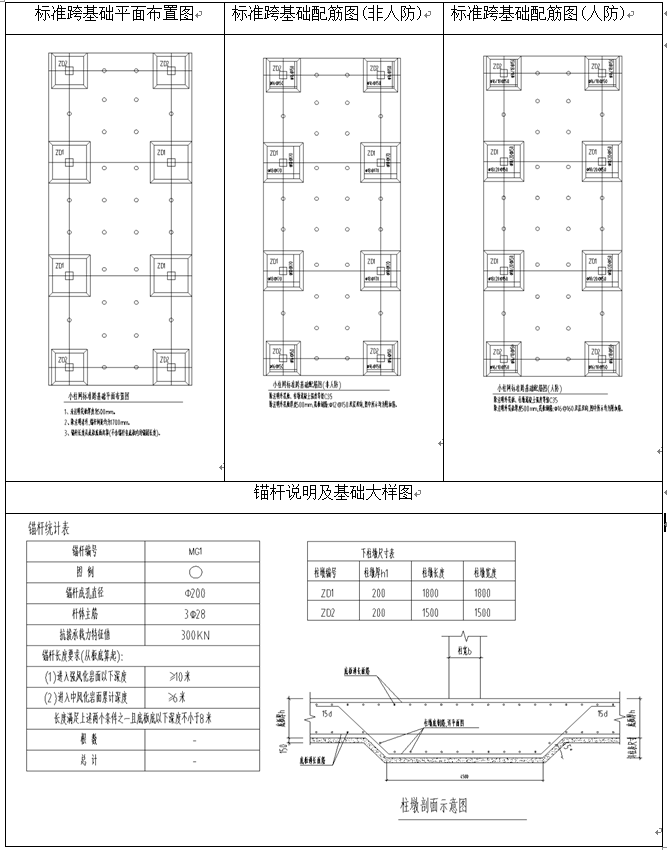
小柱网:
基本信息如下:
① 混凝土强度C35、钢筋HRB400;
② 顶板覆土厚度1.5m,抗压设计容重取20KN/m³,抗浮设计容重取16KN/m³;
③ 顶板最小厚度200mm,无梁楼盖最小厚度200mm,且不小于较大跨度的1/35;人防顶板最小厚度200mm;
④ 荷载取值:顶板恒载抗压时取值30KN/m²、抗浮时取值24KN/m²,活载取值5KN/m²;中间板与人防顶板恒载取值2.5KN/m²,活载取值4KN/m²;人防等级核六,人防荷载取值55kn/m²;
⑤ 顶板裂缝按0.3mm;底板迎水面裂缝0.25,背水面0.3;
⑥ 顶板楼板最小配筋率0.25%,无梁楼盖板最小配筋率按0.2%,人防区域按0.3%;
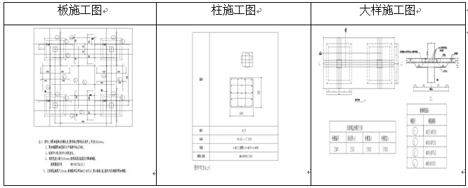
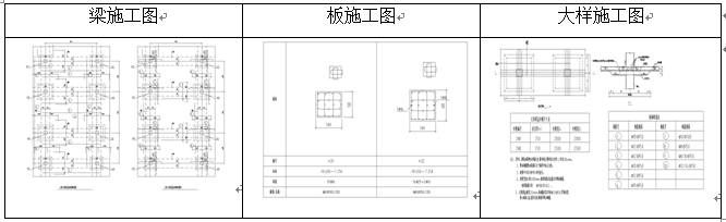
⑦ 顶板最大梁高控制在800mm,中间板与人防顶板梁高控制在500mm。⑧ 底板采用筏板加锚杆方案,抗浮设防水位取室外地坪(水头约13m);⑨ 基础持力层全风化粉砂岩及强风化粉砂岩,地基承载力特征值300kpa,基床系数50000KN/m³; 本项目大柱网顶板形式较为经济合理的结构形式有单向单次梁、单向双次梁、加腋大板,以下内容针对此三种结构形式进行测算对比得出最优方案,中间板及人防顶板由于净高限制,采用无梁楼盖形式; 对于大柱网最优选择是顶板采用单向双次梁、中间板采用无梁楼盖形式;(跨度8100mmx4800mm、8100mmx 6500mm) 组合柱网顶板形式较为经济合理的结构形式有单向单次梁、加腋大板(小跨单向加腋、大跨双向加腋),对于顶板形式以下内容针对此两种结构形式进行测算对比得出最优方案,中间板及人防顶板由于净高限值,采用无梁楼盖形式,各布置形式具体尺寸如下; 对于组合柱网最优选择是顶板采用单向单次梁、中间板采用无梁楼盖形式;(5400mmx6000mm、5400mmx4850mm) 本项目小柱网顶板形式较为经济合理的结构形式有单向单次梁、大板,中间板及人防顶板由于净高限值,但板跨较小,可采用无梁楼盖及主梁大板形式;以下内容针对上述结构形式进行测算对比得出最优方案; 对于小柱网最优选择是顶板采用单向单次梁、中间板采用主梁大板、人防顶板采用无梁楼盖形式;综上所述,对地下三层车库,底部两层层高受到限制采用无梁楼盖时:1、对于人防地库(底层人防)而言,小柱网最经济,组合柱网次之,大柱网成本最高;2、对于非人防地库而言,小柱网最经济,组合柱网与大柱网综合成本差别不大;3、对于无梁楼盖本身而言,大柱网经济最好,组合柱网最差;